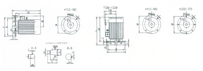
一、IM1型安裝及外形尺寸

二、IM3型安裝及外形尺寸

YZP、YZPF系列起重及冶金用變頻調速三相異步電動機
YZP、YZPF系列起重及冶金用變頻調速三相異步電動機(以下簡稱變頻調速電動機),是以變頻器為供電電源的電動機,與變頻器裝置組成的控制系統可得到平滑的無級調速、變速機構簡單,轉速準確,達到節能和實現自動化的目的。
YZP、YZPF系列變頻調速電動機廣泛應用于起重、冶金、運輸行業要求連續調速和頻繁正、反轉的機械設備上,也可以適用于一般通用機械設備上。
YZP、YZPF系列起重及冶金用變頻調速三相異步電動機
YZP、YZPF系列變頻調速電動機的額定電壓為380V,額定功率為50Hz。可在5(3)-100Hz范圍內連續調速,5(3)-50Hz為恒轉矩運行,50-100Hz為恒功率運行。也可以適用于額定電壓為440V,額定功率為60Hz的電源。YZP、YZPF系列電動機的安裝尺寸與YZ、YZR系列同機座號相同,可方便用戶使用。

江蘇重泰減速機有限公司
采購 泰興減速機 請選擇重泰減速機有限公司(原 泰興減速機總廠)
全國咨詢電話: 13861821233 傳真:0510-80212333/85516654/85508340
座機:0510-80212111/80212555/80210978/85519221/85518416/85511836
郵箱:1051532995@qq.com 地址:無錫市梁溪區蔚藍路97號