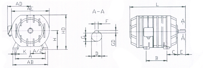
一、B35型外形及安裝尺寸

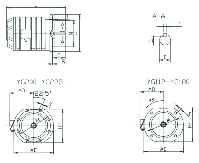
二、B3型外形及安裝尺寸

三、B5型外形及安裝尺寸

YG系列輥道用三相異步電動機
YG系列輥道用三相異步電動機是我國九十年代取代JG2系列電動機的更新換代產品,其主要性能指標超過JG2系列水平、達到國外同類電動機先進水平。
YG系列電動機安裝尺寸符合IEC標準,外殼防護等級為IP54,冷卻方式為IC0041,額定電壓380V,額定功率為50Hz,H級絕緣、定子繞組采用Y接法。
YG系列電動機按用途分為YGa和YGb兩種形式,YGa型電動機以斷續周期工作制(S5)為基準工作制,它能夠頻繁地起動,制動或反轉運行,具有堵轉轉矩大、堵轉電流小,堵轉時間長,動態常數高,機械特性軟等特點,主要用于單獨驅動冶金工業的工作輥道,也可用于其它類似機械,表3中的功率為YGa型電動機在連續定額時的功率設計值,僅供參考;YGb型電動機以連續工作制(S1)為基準工作制,具有功率大、效率高、變頻調速范圍寬、機械特性硬等特點。主要用于單獨驅動冶金工業的傳輸輥道輥子,也可用于其他類似機械。
本系列電機可制成YGP輥道專用變頻電機,其頻率在3Hz~99Hz之間變化,但具體參數隨不同頻率變化而變化。

江蘇重泰減速機有限公司
采購 泰興減速機 請選擇重泰減速機有限公司(原 泰興減速機總廠)
全國咨詢電話: 13861821233 傳真:0510-80212333/85516654/85508340
座機:0510-80212111/80212555/80210978/85519221/85518416/85511836
郵箱:1051532995@qq.com 地址:無錫市梁溪區蔚藍路97號