Y系列(IP44)三相異步電動機(H80-H315)
Y系列(IP44)電動機是全封閉自扇冷式籠形三相異步電動機,具有高效、節能、起動轉矩大、噪音低、振動小、可靠性高等特點。其功率等級及安裝尺寸完全符合IEC標準。
Y系列(IP44)電動機是一般用途的電動機,適用于驅動無特殊性能要求的各種機械設備如機床、水泵、風機、壓縮機、運輸機、攪拌機、農業機械、礦山機械等。
Y系列(IP44)電動機額定電壓為380V、額定頻率為50Hz、絕緣等級為B級、防護等級為IP44、安裝型式有:Y80-Y160
IMB3、B5、B6、B7、B8、B35、V1、V3、V5、V6、V15、V36
Y80-Y225 IMB3、B5、B35、V1
Y250-Y315 IMB3、B35、V1
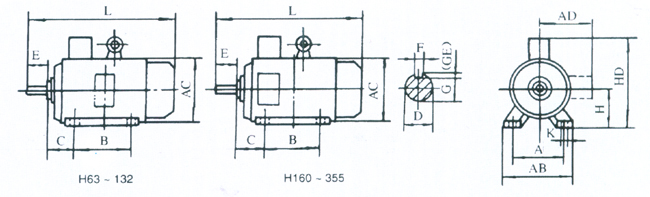
安裝尺寸
V1機座不帶底腳 、端蓋無凸緣

B3機座帶底腳、 端蓋無凸緣


江蘇重泰減速機有限公司
采購 泰興減速機 請選擇重泰減速機有限公司(原 泰興減速機總廠)
全國咨詢電話: 13861821233 傳真:0510-80212333/85516654/85508340
座機:0510-80212111/80212555/80210978/85519221/85518416/85511836
郵箱:1051532995@qq.com 地址:無錫市梁溪區蔚藍路97號